English|新浪微博| 腾讯微博| 站点地图

欢迎来到天辰平台电机制造有限公司!

深圳天辰平台电机

20年微电机开发制造商从0到N全程陪同选配开发生产

13925291282 销售工程师(微信同号):86-13925291282 红蜥空心杯销售工程师:86-18124006940

热门关键词: 电动牙刷电机航模电机打印机电机电动窗帘电机智能门锁电机

您的位置:首页OT-EM1508云台电机_无人机电机

OT-EM1508云台电机_无人机电机

  • OT-EM1508云台电机_无人机电机

OT-EM1508云台电机_无人机电机

主要应用:无人机。

额度电压 (V):7.4
空载转速(r/min):5100
空载电流 (A):0.08

13925291282 立即咨询

生产的电机产品与正齿齿轮箱、行星齿轮箱、编码器、刹车器、控制器之间能够形成许多的组合方案。

您可以将产品需求提供给我们市场销售人员,我们将为您挑选或设计最适宜的组合方案。

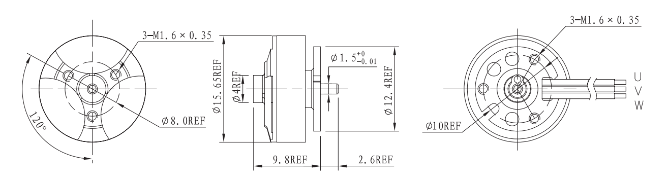
产品结构structure

OT-EM1508云台电机|无人机电机|医疗器械电机|微型电机-天辰平台电机


天辰平台OT-EM1508云台电机、无人机电机、医疗器械电机、微型电机、无刷电机拥有精巧的结构和极高的功率传输,其性能绝对优异。转矩和转速高、噪音低且间隙低;无刷电机几乎能满足一切要求。

产品参数parameter仅做参考,不做实际依据,具体参数请联系选型工程师确认

OT-EM1508云台电机|无人机电机|医疗器械电机|微型电机|无刷电机-天辰平台电机


天辰平台电机针对不同客户需求,将系列化产品通过改变输出端零件结构、内部工艺参数、电气连接等因素(例如:异性轴、高速轴承、法兰螺纹连接、特殊电缆等等),能够为您带来极大的便利,更加可靠、高效地将您需要的产品及时送达。

产品应用application

OT-EM1508云台电机|无人机电机|医疗器械电机|微型电机|无刷电机-天辰平台电机

医疗

无刷电机应用于牙科综合治疗仪、胰岛素注射泵、医用注射泵、假肢、组织粉碎器、轮椅、磨骨

OT-EM1508云台电机|无人机电机|医疗器械电机|微型电机|无刷电机-天辰平台电机

美容护理

无刷电机应用于纹身机、纹眉机、磨甲机

OT-EM1508云台电机|无人机电机|医疗器械电机|微型电机|无刷电机-天辰平台电机

汽车

无刷电机应用于车窗自动系统、空调系统、驾驶辅助系统、座椅调节

OT-EM1508云台电机|无人机电机|医疗器械电机|微型电机|无刷电机-天辰平台电机

电动工具

无刷电机应用于电动打磨机、电动钻孔、电动螺丝刀、自动切割机

OT-EM1508云台电机|无人机电机|医疗器械电机|微型电机|无刷电机-天辰平台电机

电动模型

无刷电机应用于电动打磨机、电动钻孔、电动螺丝刀、自动切割机

产品手册PDF下载专区download

微电机热门推荐

联系我们contact us

深圳市天辰平台电机制造有限公司

  • 0755-29886108
  • 红蜥空心杯销售工程师:86-18124006940
  • 0755-29886508
  • 销售工程师(微信同号):86-13925291282
  • wzd@wanzhida.cn
  • 深圳光明新区公明镇马山头第四工业区110栋
天辰平台 关注我们,了解更多!
深圳天辰平台主要生产无刷电机空心杯电机 粤ICP备11061978号   

粤公网安备 44031102000084号

点击这里给我发消息