English|新浪微博| 腾讯微博| 站点地图

欢迎来到天辰平台电机制造有限公司!

深圳天辰平台电机

20年微电机开发制造商从0到N全程陪同选配开发生产

13925291282 销售工程师(微信同号):86-13925291282 红蜥空心杯销售工程师:86-18124006940

热门关键词: 电动牙刷电机航模电机打印机电机电动窗帘电机智能门锁电机

您的位置:首页35系列0.9°两相开环步进电机

35系列0.9°两相开环步进电机

  • 35系列0.9°两相开环步进电机

35系列0.9°两相开环步进电机

应用领域:医疗、机器人、纺织、安防设备、3D打印等。

额定电压:24V
步距角:0.9°
电感:22mH
保持扭矩:600gf.cm
转动惯量:8g.c㎡

13925291282 立即咨询

生产的电机产品与正齿齿轮箱、行星齿轮箱、编码器、刹车器、控制器之间能够形成许多的组合方案。

您可以将产品需求提供给我们市场销售人员,我们将为您挑选或设计最适宜的组合方案。

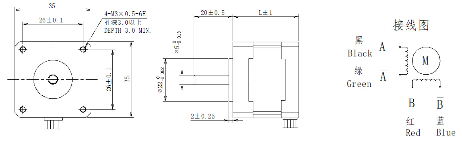
产品结构structure

35系列0.9°两相开环步进电机结构


天辰平台35系列1.8°两相两相混合步进电机是一种直接将电脉冲转化为角度位置的机械装置,转速的大小取决于脉冲的数量,它和与其配套的步进电机驱动装置共同组成了一套控制简单而又低成本的开环系统。配合编码器及外围驱动系统使用,又可成为低成本的步进伺服系统(闭环系统)。

产品参数parameter仅做参考,不做实际依据,具体参数请联系选型工程师确认

35系列0.9°两相开环步进电机技术参数


天辰平台电机针对不同客户需求,将系列化产品通过改变输出端零件结构、内部工艺参数、电气连接等因素(例如:异性轴、高速轴承、法兰螺纹连接、特殊电缆等等),能够为您带来极大的便利,更加可靠、高效地将您需要的产品及时送达。

产品应用application

OT-EM9045无刷电机|植保机电机|工业微型电机|无人机电机-天辰平台电机

医疗

无刷电机应用于牙科综合治疗仪、胰岛素注射泵、医用注射泵、假肢、组织粉碎器、轮椅、磨骨

OT-EM9045无刷电机|植保机电机|工业微型电机|无人机电机-天辰平台电机

美容护理

无刷电机应用于纹身机、纹眉机、磨甲机

OT-EM9045无刷电机|植保机电机|工业微型电机|无人机电机-天辰平台电机

汽车

无刷电机应用于车窗自动系统、空调系统、驾驶辅助系统、座椅调节

OT-EM9045无刷电机|植保机电机|工业微型电机|无人机电机-天辰平台电机

电动工具

无刷电机应用于电动打磨机、电动钻孔、电动螺丝刀、自动切割机

OT-EM9045无刷电机|植保机电机|工业微型电机|无人机电机-天辰平台电机

电动模型

无刷电机应用于电动打磨机、电动钻孔、电动螺丝刀、自动切割机

产品手册PDF下载专区download

微电机热门推荐

联系我们contact us

深圳市天辰平台电机制造有限公司

  • 0755-29886108
  • 红蜥空心杯销售工程师:86-18124006940
  • 0755-29886508
  • 销售工程师(微信同号):86-13925291282
  • wzd@wanzhida.cn
  • 深圳光明新区公明镇马山头第四工业区110栋
天辰平台 关注我们,了解更多!
深圳天辰平台主要生产无刷电机空心杯电机 粤ICP备11061978号   

粤公网安备 44031102000084号

点击这里给我发消息